当前位置:首页 > 产品中心 > 无线智能电表

    DTSD3366/XL_无线智能电表

    简介

    DTSD3366/XL无线智能电表,是广东雅达电子股份有限公司,和深圳市通博TBET科技有限公司,合作开发的。是一款在传统电能表的基础上,集成LoRa490MHz)无线传输的多功能电表,专为监测、精细化分析管控机器、设备能耗设计。

    各项技术指标符合《GB/T17215.321-2008》、《GB/T 17215.322-2008》、《DL/T645-2007》等国家标准以及行业标准。实现对不同区域和不同负荷的电能计量,统计和分析。

         一块智能电表,可选配同时监测4个用电单元的用电数据。更方便应用于一台机器,有多个相对独立用电单元的用电监测。

    应用

    工厂用电数据采集点,分布在车间各处。选择DTSD3366XX/XL系列电能表,采集用电据上传

    用电监测需求概述
    电能消耗,是企业生产的主要成本。降低用电成本,是企业生产过程的重要关注点。降低企业用电成本的第一步,是获取机器设备的全面用电数据,为优化生产计划,提高生产效率,提高机器效能,从而降低用电成本,提供准确的数据支撑。

    用电消耗的关注点,设备、产线、车间,通用辅助设备、设施,及工厂等不同层级的电能消耗数据。

    安装点选择:
    1、配电室:出于电能计量的目的,配电室的每一条出线,不必都进行用电监测,建议只监测,大用电负荷,供电范围集中、区域独立、用电独立的回路;
    2、配电柜:配电柜是车间级的配电设备,分布在车间各地。可以对配电柜的输出回路进行计量,获取某产线、某台(套)机器、用电设备杂的回路的用电数据;
    3、控制柜:控制柜一般是安装在现场,控制机器设备的运行,有时多台机器共用一面控制柜,建议对功率较大的用电设备进行用电数据监测;

    4、未进行用电数据监测的回路和用电设备,根据上、下级之间的计量数据,进行计算,可以估算出相关的用电数据。


    电能表选型说明
    电能计量表基本是通用标准产品,功能相近。

    DTSD3366XX/XL系列电能表,是从广东雅达电子公司订制。

    主要特点:
    1、配有计量芯片,专业电能计量;
    2、支持RS485,和LoRa通信方式,支持Modbus RTU和DLT 645通信协议;
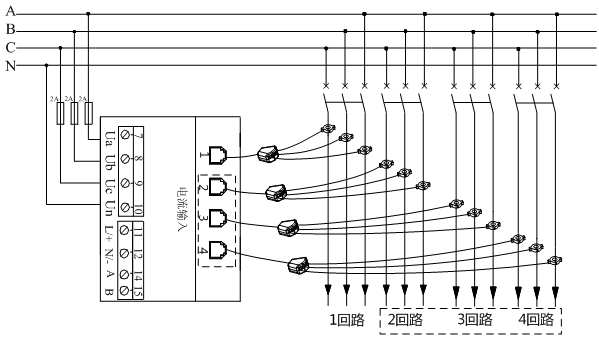
    3、可同时监测1至4个回路的用电数据,更适用于配电柜(动力柜)、控制柜内的出线回路计量;
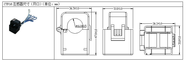
    4、配开口式电流互感器,安装简单便捷。

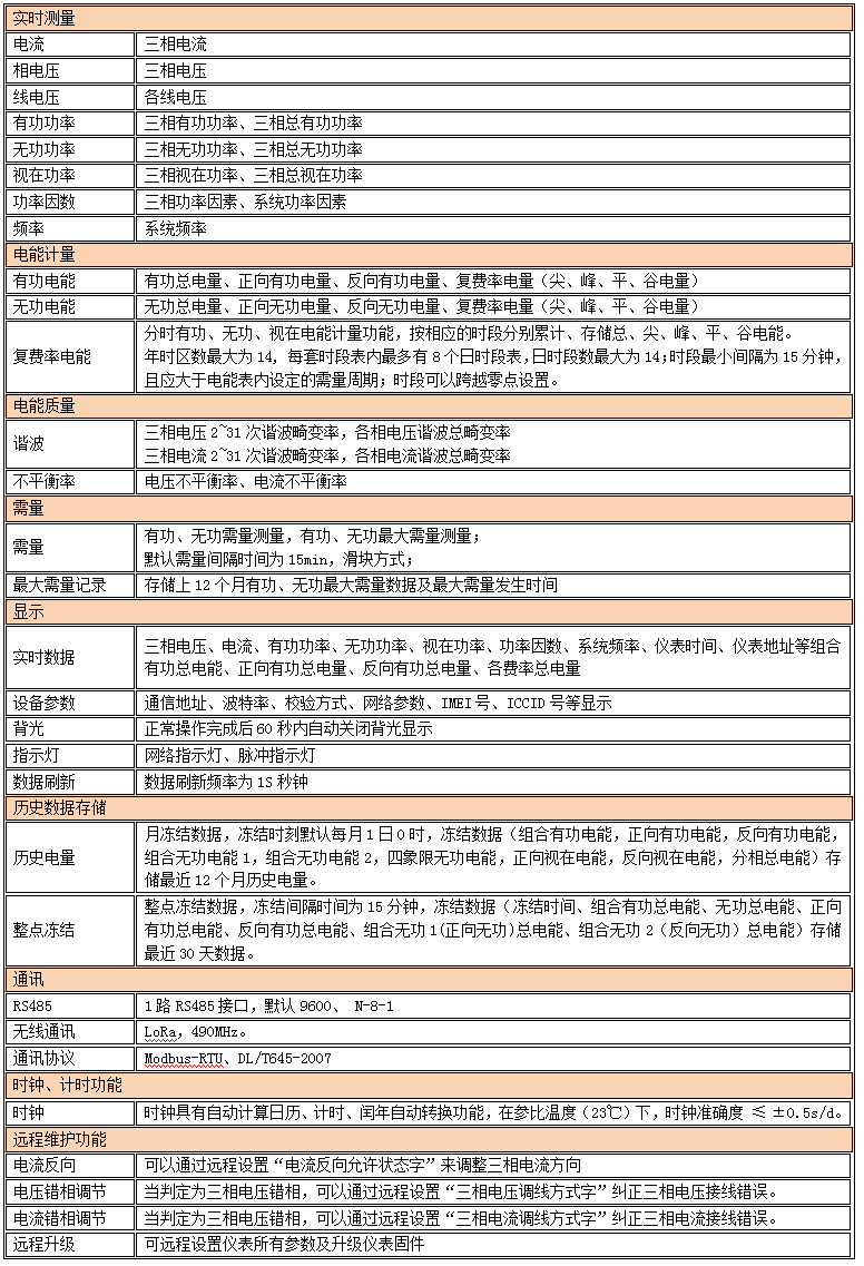
    电能表主要功能说明


    电能表参数确定及应用
    用电端,用电数据采集,确定电能表技术参数,建议考虑以下几因素:
    1、用电负荷(电流):根据工作(额定)电流大小,选择电流输入范围相匹配的电能表,保证计量精度;
    2、电流互感器(CT):根据额定(工作)电流大小,选择CT变比;根据负荷侧电缆(或铜排)的尺寸大小,选择电流互感器孔径尺寸;
    3、安装:选择导轨安装方式电能表,开合式电流互感器,对老设备加装,或是新系统,安装都更简单、便捷;
    4、功能:除基本的计量功能外,建议根据设备运行方式、负载性质,以及对用数据、用电设备性能的分析需求,考虑复费率、电能质量、需量、历史数据存储等功能;5、获取电能质量谐波数据,对分析电能质量,设备老化、劣变、故障等原因,提高电能质量的策略,提供准确的数据支撑;

    6、历史数据储、需量,为准确、细化核算电能消耗成本,优化生产计划安排,降低用电成本,提供更准确、更实际的数据。


    数据传输方案及应用

    工厂用电数据采集点,分布在车间各处。选择DTSD3366XX/XL系列电能表,采集用电据上传:

    1、车间配电柜、控制柜,分布在车间各处,甚至固定在墙上,每个柜有多个输出回路。选择DTSD3366XX/XL电能表,一块表采集1-4个回路的用电数据。更少数量的表,采集更多回路,占用更小的安装空间,安装接线更加方便、快捷,对原柜进行更少的改动,对生产影响也降至更低;
    2、DTSD3366XX/XL支持LoRa通信,通过无线,就能将分布在车间、工厂各点的用电数据,汇聚到网关,到监控服务器(能源管理系统);节省大部分施工成本,减少了更多的麻烦;
    3、LoRa(按不同国家、地区规定,配置相应频段的通讯模块)通讯方式,传输距离比较远。在工厂、车间环境,传输距离约300m至1000m;
    4、选择XL9系列网关,无线读取电能表数据,通过Ethernet、Wi-Fi,MQTT、SOAP、 Modbus、API、数据库等协议,向平台系统转发数据。

    Wi-Fi传输应用方案

    在工厂、车间建设有用于传输工业数据的Wi-Fi网络,需要将电能表数据,从采集端,通过LAN网络直接推送数据至平台管理系统(EMS、MES、ERP),建议的方案是:

    1、安装在配电柜(控制柜)的电能表,通过RS485总线接入XL80智能主机;建议同一面(如)柜内的电能表,配置1台XL80智能主机,智能主机也安装在配电柜内;
    2、XL80智能主机,通过Wi-Fi接入LAN网络,支持MQTT、SOAP、API、Modbus、XL/9-IoT等等多种通信协议,接入EMS、MES、ERP等系统,不支持协议对接的,可直接将数据写入数据库;
    3、XL80智能主机,还支持Ethernet、4G/NB等通信方式,用户使用时有更多选择。

    通博TBET
  • 网站地图